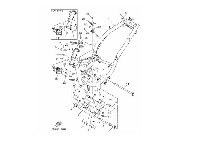
14 Frame

⚠️ We will be closed 11-17 April for Thai Buddhist New Year, There will be shipping delays for some orders during this period.

14 Frame
Filters
Set Descending Direction

29 Items

per page
View as Grid List
Filters
Set Descending Direction

29 Items

per page
View as Grid List