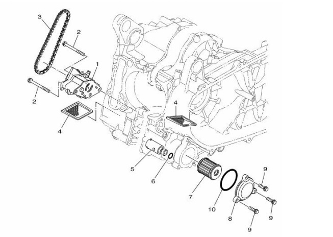
07 Oil Pump

⚠️ We will be closed 11-17 April for Thai Buddhist New Year, There will be shipping delays for some orders during this period.

07 Oil Pump
Filters
Set Descending Direction

10 Items

per page
View as Grid List
Filters
Set Descending Direction

10 Items

per page
View as Grid List