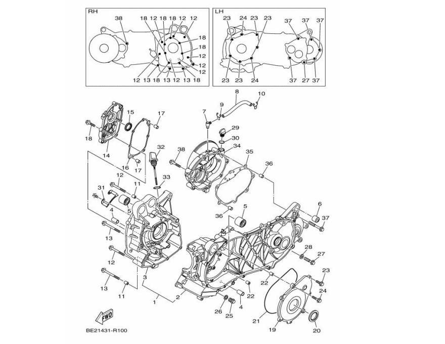
10 Crankcase

10 Crankcase
Filters
Set Descending Direction

33 Items

per page
View as Grid List
Filters
Set Descending Direction

33 Items

per page
View as Grid List